Saturnbird Coffee's Shanghai Office
ARCHITECTS
Spacestation
CONSTRUCTION DRAWING PRINCIPAL
Hui Xu
MANUFACTURERS
Beijing Tengshunfei Decoration Materials Co.,ltd, Dongguan Zhimu Wood Industry Co.,ltd, Eco-arch New Building Materials Co., Ltd
LEAD ARCHITECT
Zheng Wang, Ling Li
PROJECT PRINCIPAL OF PARTY A
Haijiao Li, Johnny
WATER SUPPLY AND DRAINAGE ENGINEERING
Sha Zhang
HVAC ENGINEERING
Qian Lu
DESIGN TEAM
Qiong Yi, Jie Yang, Saisai Jin, Jingjing Wang, Qingxia Gong
AREA
1978 M²
YEAR
2022
LOCATION
Xuhui, China
CATEGORY
Office Buildings, Interior Design
Our project emerged from an experiment on materials. We hoped to find a material that could uniformly fit all the parts of our space. After playing with various materials, we settled on birch plywood.
Secondly, we obtained a basic measurement for all components within the column grid of the site, thus determining the spacing of the parts according to this given criterion.
We then determined the thickness of the plates used according to different stress relations and finally went into further deep analysis of details to establish a compelling connection between materials.
Thus, the various components of the space took shape: tables, chairs, shelves, walls, doors, partitions, or other decorative elements.
This design step integrates all parts into a complete system and can perfectly match the measure of the site. With this system of parts, we can cope with complex functional divisions and usage change requirements.
The overall layout of the space imitates the planning logic of a small town. Its spatial system consists of main roads, branch roads, squares, blocks, parks, and monuments.
We designed the most open part of the space system in the entrance area, that is the "coffee square". This area is the daily route of the "denizens" of this small town, and it is also a place for communication, rest, gathering, and receiving visitors.
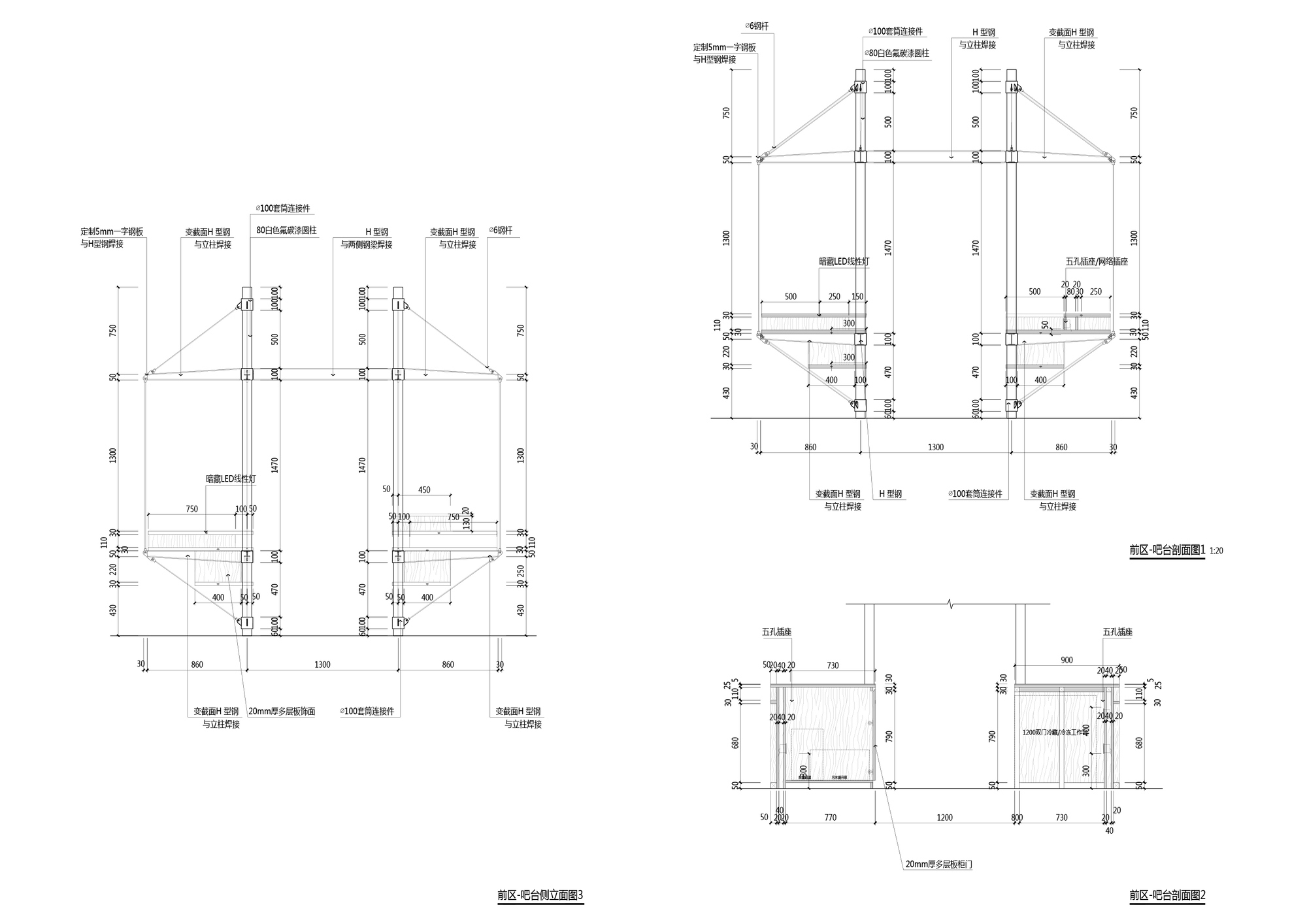
The core of the square is a structurally complex linear coffee bar. We introduced a bridge-like steel structure suspension system to make it match the scale of the indoor square space. At the same time, we designed seats and stools that can be arbitrarily combined to form an ever-changing landscape on the square.
The exhibition hall is adjacent to the square and stands for the town’s "spiritual area". It is designed as a glass box looking out to the square. Here, we divided units of furniture into smaller ones to form modules that can be plugged together. This space is therefore suitable for exhibits of different sizes and various exhibition settings.
The square can lead to the office "blocks" of various departments. Before reaching these blocks, we set up buffer spaces of various sizes, which can be seen as "gardens" within the office.
There are seats and writing boards for impromptu pausing and chatting in the park. Captivating spatial installations are placed in the center of the park. These installations are like "monuments" in the city, indicating entrances to different areas.
Office furniture within the blocks does not abide by obvious workstation boundaries. Table legs are fully set back, thus bringing flexibility in the arrangement of workstations.
A long table with the same width can be provided for one, two, or three people to work according to the needs of different stages in business development.
The core R&D department also has its own buffer space and open discussion area, provided with a wide view of the landscape. Storage furniture also has optimal combination flexibility.
With this planning concept, SATURNBIRD COFFEE’S Shanghai Office manages to provide all employees with flexible working scenarios and different levels of privacy. Rich spatial details will also bring daily comfort to every worker engaged in creative work.






















